High Precision Lead Screw Linear Stepper Motor, Self-Locking Linear Motion Actuator with POM Wear-Resistant Parts for Industrial Automation, CNC Machinery and 3C Electronic Equipment

High-precision linear stepper motor with self-locking, compact structure and stable linear transmission

  • Linear Stepper Motor | Lead Screw Linear Motion Actuator

1. Product Structure & Working Principle

The linear stepper motor is a precision actuator that converts electromagnetic pulses into linear displacement. It consists of a stepper motor and lead screw assembly. Driven by pulse magnetic field, the rotor rotates, and the screw and nut mechanism converts rotary motion into smooth linear movement.

It has two mainstream structures: direct drive with internal thread rotor and through-shaft with external nut. Wear-resistant POM self-lubricating materials are adopted for long service life. Integrated closed-loop models combine ball screw, encoder, driver and controller for all-in-one motion control.

2. Core Features & Performance

✅ Ultra-high positioning accuracy up to 0.1μm for micro precision operation

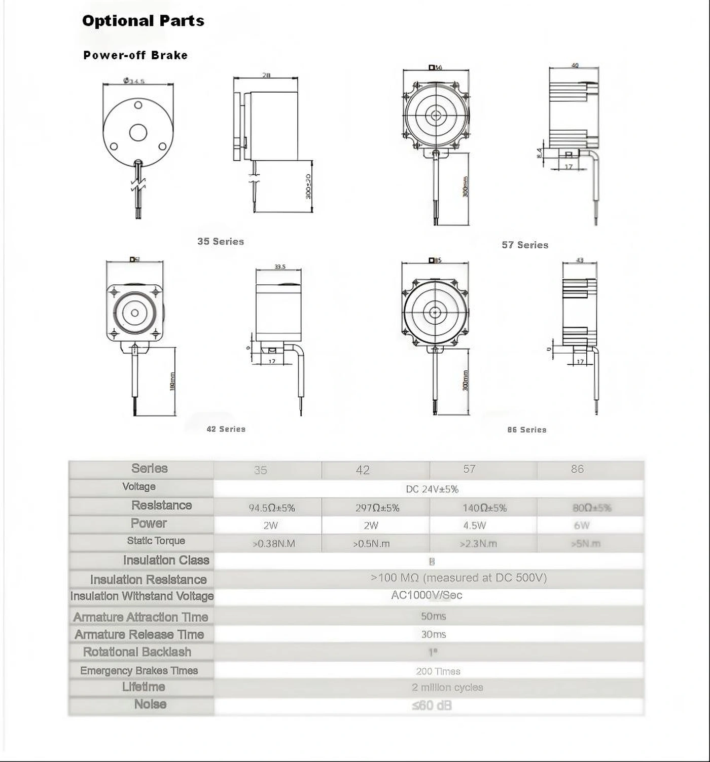
✅ Built-in power-off self-locking function to ensure safe positioning

✅ Rich specifications: 20mm, 28mm, 35mm, 42mm, 57mm, 86mm series

✅ Optional ball screw, closed-loop control and customized solutions

✅ Multiple driving modes and dedicated drivers for stable operation

✅ High wear resistance, low noise and strong operational stability

3. Application

Perfect for scenarios requiring precise linear positioning:

CNC machine tools, 3D printing, medical devices, semiconductor equipment, optical inspection, 3C electronics, robots, military equipment, precision machinery and university laboratory scientific research.

1. What Are the Benefits of Using Screw Drive Motors in Automation?

Key Differences:

  1. Motion Conversion:
    • Screw Drive Motors: Convert rotary motion into precise linear motion using a screw thread, ideal for applications requiring high accuracy.
    • Regular Motors: Typically provide only rotary motion and require additional mechanisms (like gears or belts) to achieve linear motion.
  2. Precision & Load Handling:
    • Screw Rod Motors: Offer exceptional precision (up to ±0.01mm) and handle heavy loads efficiently, making them perfect for CNC machines, robotic arms, and automated production lines.
    • Regular Motors: Generally less precise and may struggle with high-torque applications.
  3. Energy Efficiency:
    • Screw Drive Motors: Due to the ball screw mechanism, friction is minimized, leading to greater energy efficiency and lower operational costs.
    • Regular Motors: Higher friction can reduce energy efficiency, especially in heavy-duty applications.
  4. Maintenance:
    • Screw Drive Motors: Designed for low maintenance and longer life due to reduced friction.
    • Regular Motors: Require more maintenance, especially when used with additional gear systems for linear motion.

Applications:

  • Screw Drive Motors: Perfect for precision applications like CNC machining, 3D printing, and robotics.
  • Regular Motors: Suitable for simpler applications without high precision requirements.

Conclusion:

For industries demanding high precision, efficiency, and load capacity, screw drive motors provide superior performance over regular motors. Upgrade your automation systems with screw drive technology for better efficiency, lower maintenance, and higher precision.

#ScrewDriveMotors #BallScrewMotors #PrecisionEngineering #Automation #CNCmachines #Robotics #EnergyEfficiency #LinearMotion #IndustrialAutomation #ManufacturingTech #LowMaintenance


2. How Do Screw Drive Motors Work Compared to Regular Motors?

Answer:
Screw drive motors convert rotary motion into linear motion through the use of a screw thread, offering high precision and load-handling capacity. In contrast, regular motors only provide rotary motion and require additional mechanisms like gears or belts to achieve linear motion. Screw drive motors are more efficient, have lower friction, and require less maintenance, making them ideal for high-precision applications in automation systems.

#ScrewDriveMotors #BallScrewMotors #CNCmachines #LinearMotion #PrecisionEngineering


3. What Are the Key Advantages of Ball Screw Motors in Industrial Applications?

Answer:
Ball screw motors offer several key advantages:

  • High precision: Ideal for tasks requiring accurate linear movement (up to ±0.01mm).
  • Energy efficiency: The ball screw design minimizes friction, improving efficiency and reducing energy costs.
  • Heavy load capacity: Perfect for applications like robotic arms and industrial assembly lines.
  • Low maintenance: Reduced wear means fewer repairs and longer-lasting components.
    These advantages make ball screw motors highly reliable for industrial automation and advanced manufacturing.

#BallScrewMotors #ScrewDriveMotors #IndustrialAutomation #EnergyEfficiency #PrecisionControl


4. Can Screw Drive Motors Be Used in Robotic Arms?

Answer:
Yes, screw drive motors are commonly used in robotic arms due to their precise linear motion capabilities. They provide the accuracy and high load capacity required for applications like pick-and-place, welding, and assembly tasks. The ball screw mechanism ensures smooth, controlled movements and minimizes friction, leading to longer lifespan and higher reliability in robotic systems.

#RoboticArms #ScrewDriveMotors #BallScrewMotors #Automation #PrecisionEngineering


5. What Is the Difference Between a Screw Drive Motor and a Servo Motor?

Answer:
While both screw drive motors and servo motors offer precise control, the key difference lies in their application:

  • Screw drive motors convert rotary motion into linear motion, making them ideal for linear positioning in systems like CNC machines and 3D printers.
  • Servo motors, on the other hand, are typically used for rotary motion and provide continuous control of rotational speed and position.

In automated systems that require linear motion, screw drive motors provide superior precision and load capacity compared to servo motors.

#ServoMotors #ScrewDriveMotors #PrecisionEngineering #Automation #CNCmachines


6. What Are the Common Applications for Screw Drive Motors in Automation?

Answer:
Screw drive motors are commonly used in:

  • CNC machines for precise material machining.
  • Robotic arms for accurate handling and assembly.
  • 3D printers for precise control of the print head.
  • Automated assembly lines for precise component placement.
    Their ability to handle heavy loads while providing precise linear motion makes them versatile in a wide range of industrial automation applications.

#ScrewDriveMotors #CNCmachines #RoboticArms #3DPrinting #IndustrialAutomation


7. How Do Ball Screw Motors Improve CNC Machining?

Answer:
Ball screw motors are essential in CNC machining because they provide ultra-precise movement with minimal friction. This leads to improved accuracy and repeatability, allowing machines to produce parts with high precision (±0.01mm). The ball screw mechanism also enhances energy efficiency and extends the lifespan of the machine, reducing maintenance costs and downtime.

#BallScrewMotors #CNCMachining #PrecisionEngineering #Automation #EnergyEfficiency


8. What Maintenance Is Required for Screw Drive Motors?

Answer:
Screw drive motors are designed for low maintenance thanks to the ball screw mechanism, which reduces wear and friction. However, regular checks are recommended to ensure smooth operation. Key maintenance tasks include:

  • Lubrication: Ensure proper lubrication to maintain smooth movement and reduce wear.
  • Inspection: Check for any misalignment, wear on the screw threads, or debris accumulation.
  • Cleaning: Keep components free of dust and debris for optimal performance.

Because they require less maintenance than other motor types, screw drive motors are a cost-effective solution in automation systems.

#ScrewDriveMotors #BallScrewMotors #LowMaintenance #AutomationSystems


9. What Is the Load Capacity of Screw Drive Motors?

Answer:
Screw drive motors are known for their high load capacity, making them suitable for heavy-duty applications. Depending on the design and size, these motors can handle significant loads, making them ideal for tasks like robotic arms, automated assembly lines, and CNC machining. The ball screw mechanism improves load handling and torque transmission, ensuring reliable performance under demanding conditions.

#ScrewDriveMotors #HighLoadCapacity #BallScrewMotors #Robotics #IndustrialAutomation


10. How Can Screw Drive Motors Improve Energy Efficiency in Automation?

Answer:
Screw drive motors, especially ball screw motors, reduce friction due to their design, which leads to lower energy consumption. This makes them more energy-efficient than traditional motors, especially in high-load applications. The reduced friction means less power is needed to perform tasks like linear motion in CNC machines, robotic arms, and 3D printers, resulting in cost savings and sustainable operations

Description

Lead Screw Linear Motion Actuator

Model

28Series, 35 Series, 42 Series, 57 Series

Voltage

2.4V

Current(A)

3.0

Resistance

2.0±10%

Inductance (mH)

5.2±20%

Length(mm)

45